theRonda P360-330 DALI UP WH

Артикул: 2080045

Наличие: под заказ

ЦЕНА ПО ЗАПРОСУ

Function description

  • Passive infra-red presence detector for flush-mounted ceiling installation, DALI-2 certified
  • Circular detection area 360°, Ø 24 m, (452 m2) at mounting height 3 m
  • 3 channels light DALI-2 addressable
  • DALI-2 technology according to IEC 62386 Parts 101 and 103
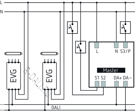
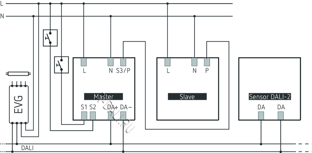
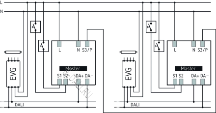
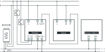
  • Flexible assignment of up to 3 light groups towards one DALI line
  • Easy, intuitive configuration of the DALI groups
  • Up to 3 push-button inputs
  • Using of conventional push-buttons for maximum design freedom
  • Switch or constant light control mode with stand-by function
  • Dimmable lighting in switch mode with stand-by function
  • Choice of fully or semi-automatic operation
  • Adjustable brightness switching value
  • Teach-in function via remote control or push-button
  • Setting of room correction factor (Automatic adjustment of brightness measurement)
  • Light time delay can be set
  • Calibrated 3 channels light measurement
  • Brief-presence
  • Self-learning time delay
  • Extremely easy setting of energy saving characteristics with the new „eco plus“ function
  • Selectable control speed
  • Manual override via remote control or pushbutton
  • Behavior after push button operation selectable (school / office)
  • Test mode light
  • Test-Mode presence
  • Remote-controllable
  • Scenes
  • Sensitivity adjustable
  • Detection area can be limited using cover clip
  • Extension of detection area via Master/Slave or Master/Master switching
  • Optimized handling by installer during assembly, wiring, commissioning
  • Choice of fully or semi-automatic operation
  • Adjustable brightness switching value
  • Teach-in function via remote control or push-button
  • Setting of room correction factor (Automatic adjustment of brightness measurement)
  • Light time delay can be set
  • Calibrated 3 channels light measurement
  • Brief-presence
  • Self-learning time delay
  • Extremely easy setting of energy saving characteristics with the new „eco plus“ function
  • Selectable control speed
  • Manual override via remote control or pushbutton
  • Behavior after push button operation selectable (school / office)
  • Test mode light
  • Test-Mode presence
  • Remote-controllable
  • Scenes
  • Sensitivity adjustable
  • Detection area can be limited using cover clip
  • Extension of detection area via Master/Slave or Master/Master switching
  • Optimized handling by installer during assembly, wiring, commissioning


Technical data

Operating voltage 110 V AC - 230 V AC
Frequency 50 - 60 Hz
Installation height 2 - 10 m
Maximum height 15 m
Minimum height 1.7 m
Installation type Ceiling installation
Colour White
Power consumption <0.4 W
Light measurement Mixed light measurement
Setting range brightness 10 - 3000 lx
Light switch-off delay  10 s - 60 min
Stand-by time light 0 s - 60 min / on
Stand-by brightness 1 - 25 %
Lamp types Incandescent/halogen lamps, fluorescent lamps, Energy saving lamps, LEDs
Control output 100 mA
Ouput light DALI-interface according to IEC SN EN 62 386 for max. 50 DALI devices
Max. cable cross section max. 2 x 2,5 mm²
Size of concealed housing 55 mm
Switching output DALI
Detection range 452 m² (ø 24 m | 360°)
Detection angle 360°
Ambient temperature -15°C ... 50°C
Type of protection IP 54 (when fitted)


Detection area

Mounting height (A) Sitting (S) Diagonally (T) Frontal gehend (R)
2 m 16 m² | 4.5 m 380 m² | 22 m 28 m² | 6 m
2.5 m 24 m² | 5.5 m 415 m² | 23 m 38 m² | 7 m
3 m 28 m² | 6 m 452 m² | 24 m 50 m² | 8 m
3.5 m 38 m² | 7 m 452 m² | 24 m 50 m² | 8 m
6 m 452 m² | 24 m 50 m² | 8 m
10 m 491 m² | 25 m 50 m² | 8 m

Материалы для скачивания


Мы используем файлы cookie, для обеспечения корректной работы сайта.
Продолжая просмотр нашего сайта, Вы соглашаетесь с нашей
Политикой конфиденциальности.
Политикой обработки персональных данных.
Политикой использования cookie.

Принять