B.E.G. Датчик присутствия, PICO-BMS DALI-2

Артикул: 93547

Наличие: под заказ

ЦЕНА ПО ЗАПРОСУ

Компактный DALI-2 мультисенсор (входное устройство) с монтажной глубиной всего 11 мм для установки в светильники

Сертифицированное изделие DALI-2

Питание через шину DALI

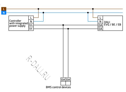
Технология многомастерного управления DALI в соответствии с IEC 62386, часть 103

Экземпляр 0 предоставляет информацию о присутствии и движении на шину DALI в соответствии с IEC 62386, часть 303

Экземпляр 1 предоставляет значения освещенности (LUX) на шину DALI в соответствии с IEC 62386, часть 304

Параметризация возможна через обязательный многомастерный прикладной контроллер любого производителя. Данный контроллер должен поддерживать IEC 62386, части 101/103/303/304

Измерение смешанного света благодаря встроенному датчику освещенности

Зона обнаружения может быть ограничена с помощью шторок

Индивидуальная настройка чувствительности PIR-датчика

Светодиоды состояния могут быть активированы / деактивированы

Примеры применения:
лестничные клетки, туалеты, технические помещения, небольшие офисы, офисы открытого типа, переговорные комнаты

Технические характеристики

Параметр Значение
Напряжение: через шину DALI, макс. 22,5 В пост. тока
Габаритные размеры: Ø 33 x 27 мм
Настройки: через шину DALI и приложение, поддерживающее мультисенсоры DALI в соответствии с IEC62386, части 101, 103, 303 и 304
Типовая потребляемая мощность: 7 мА
Время готовности: 200 мс
Зона (угол) обзора: горизонтально 360° (потолочный монтаж)
Радиус обнаружения: макс. Ø 10 м (поперечное движение)
макс. Ø 6 м (движение к датчику)
макс. Ø 4 м (сидячий человек)
Максимальная площадь контроля (при тангенциальном движении): 78 м² / высота монтажа 2,5 м
Высота монтажа (мин./макс./рекоменд.): 2 м / 5 м / 2,5 м
Степень / класс защиты: IP20 / класс II
Ударопрочность: IK04
Диапазон измерения освещенности: 0–4095 люкс, измерение смешанного света
Рабочая температура: от –25 °C до +55 °C
Материал корпуса: поликарбонат, устойчивый к УФ-излучению
Цвет: белый, близкий к RAL 9010

Материалы для скачивания


Мы используем файлы cookie, для обеспечения корректной работы сайта.
Продолжая просмотр нашего сайта, Вы соглашаетесь с нашей
Политикой конфиденциальности.
Политикой обработки персональных данных.
Политикой использования cookie.

Принять