B.E.G. Датчик присутствия, PD4N-BMS DALI-2

Артикул: 93546

Наличие: под заказ

ЦЕНА ПО ЗАПРОСУ

Description

Дальнобойный мультисенсор DALI-2 (входное устройство)

Изделие с сертификацией DALI-2

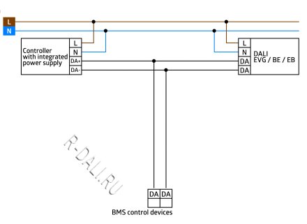
Питание через шину DALI

Яркая светодиодная индикация для ввода в эксплуатацию

Технология многомастерного управления DALI в соответствии с IEC 62386, часть 103

Экземпляр 0 предоставляет информацию о присутствии и движении на шину DALI в соответствии с IEC 62386, часть 303

Экземпляр 1 предоставляет значения освещенности (LUX) на шину DALI в соответствии с IEC 62386, часть 304

Параметризация возможна через обязательный многомастерный прикладной контроллер любого производителя. Данный контроллер должен поддерживать IEC 62386, части 101/103/303/304.

Измерение смешанного света с помощью внутреннего и внешнего датчиков освещенности

Подходит для монтажа в подвесные потолки и скрытого монтажа

Доступен аксессуар для накладного монтажа

Зона обнаружения может быть ограничена с помощью шторок

Индивидуальная адаптация чувствительности обнаружения для каждого PIR-датчика

Светодиоды индикации состояния могут быть активированы / деактивированы

Примеры применения:
лестничные клетки, небольшие офисы, офисы открытого типа, переговорные комнаты, учебные классы/семинарские помещения, спортивные залы/складские помещения


Технические характеристики

Параметр Значение
Напряжение: через шину DALI, макс. 22,5 В пост. тока
Габаритные размеры: Ø 106 x 68 мм
Настройки: через шину DALI и приложение, поддерживающее мультисенсоры DALI в соответствии с IEC 62386, части 101, 103, 303 и 304
Типовая потребляемая мощность: 7 мА
Время установления: 200 мс
Зона обнаружения: горизонтально 360° (потолочный монтаж)
Дальность действия: макс. Ø 24 м (поперечное движение)
  макс. Ø 8 м (движение к датчику/от датчика)
  макс. Ø 6,4 м (сидячее положение)
Контролируемая площадь (тангенциальное движение): 450 м² / высота монтажа 2,5 м
Высота монтажа мин./макс./рекомендуемая: 2 м / 10 м / 2,5 м
Степень/класс защиты: IP20 / класс II
Ударопрочность: IK04
Измеряемая освещенность: 0–4095 люкс, измерение смешанного света
Рабочая температура: от –25 °C до +55 °C
Корпус: поликарбонат, устойчивый к УФ-излучению
Цвет материала: белый матовый, аналогичен RAL 9010
 

 

 


Материалы для скачивания


Мы используем файлы cookie, для обеспечения корректной работы сайта.
Продолжая просмотр нашего сайта, Вы соглашаетесь с нашей
Политикой конфиденциальности.
Политикой обработки персональных данных.
Политикой использования cookie.

Принять